中国·必威(bw·西汉姆联)(中国)有限公司
欢迎访问中国·必威(bw·西汉姆联)!
免责声明
|
网站地图
生产
主要经营:仪表、电缆等
秉承顾客至上,锐意进取
0550-7032070
网站首页
关于我们
公司业绩
企业新闻
产品展示
光纤光缆
电气电缆
特种电缆
计算机电缆
补偿导线
控制电缆
伴热电缆
硅橡胶电缆
变频电缆
扁平电缆
高温电缆
屏蔽电缆
交联电缆
阻燃电缆
耐火电缆
环保电缆
钢芯铝绞线
信号电缆
橡套电缆
船用电缆
电力电缆
数据电缆
汽车专用电缆
风力风电电缆
低温耐寒电缆
防鼠防蚁电缆
变送器
工业热电偶
工业热电阻
矿物质电缆
应用领域
联系我们
产品展示
光纤光缆
电气电缆
特种电缆
计算机电缆
补偿导线
控制电缆
伴热电缆
硅橡胶电缆
变频电缆
扁平电缆
高温电缆
屏蔽电缆
交联电缆
阻燃电缆
耐火电缆
环保电缆
钢芯铝绞线
信号电缆
橡套电缆
船用电缆
电力电缆
数据电缆
汽车专用电缆
风力风电电缆
低温耐寒电缆
防鼠防蚁电缆
变送器
工业热电偶
工业热电阻
矿物质电缆
您当前位置:
>
产品展示
>
变送器
商品名称:
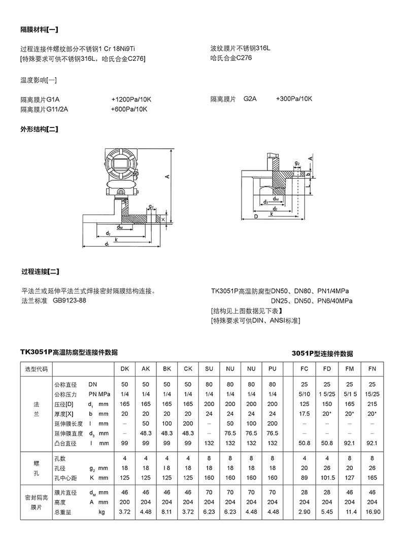
3051P高温房腐型压力变送器
添加时间:
2016-06-20 08:41:57
电 话:0550-7032070
邮 箱:
[email protected]
介绍:
浏览:
上一篇
110A型差压变送器
下一篇
3051F卫生型压力变送器
中国·必威(bw·西汉姆联)
.
建站推广:千秋在线